دریافت نمایندگی فروش
سبد خرید خالی است
صفحه اصلی
فروشگاه
دستهبندی قطعات
دسته بندی برند ها
مدلها
مدلی برای این برند وجود ندارد
مطالب خواندنی
درباره ما
تماس با ما
صفحه اصلی
فروشگاه
مطالب خواندنی
درباره ما
تماس با ما
کاتالوگ قطعات
تویوتا
CENTURY-VG45-GEPQE
تویوتا Parts Catalog
برند
نام
کد
تویوتا
century-vg45-gepqe
TOYOTA
دسته بندی
جستجو
گروه ها
موتور/سوخت/ابزار
تعداد قطعات: 27
مشاهده جزئیات
0901: 8709
مشاهده جزئیات
1101: 8709
مشاهده جزئیات
1103: 8709
مشاهده جزئیات
1104: 8709
مشاهده جزئیات
1105: 8709
مشاهده جزئیات
1106: 8709
مشاهده جزئیات
1107: MOUNTING
مشاهده جزئیات
1201: 8709
مشاهده جزئیات
1301: CRANKSHAFT
مشاهده جزئیات
1302: CAMSHAFT
مشاهده جزئیات
1501: 8709
مشاهده جزئیات
1502: 8709
مشاهده جزئیات
1601: 8709
مشاهده جزئیات
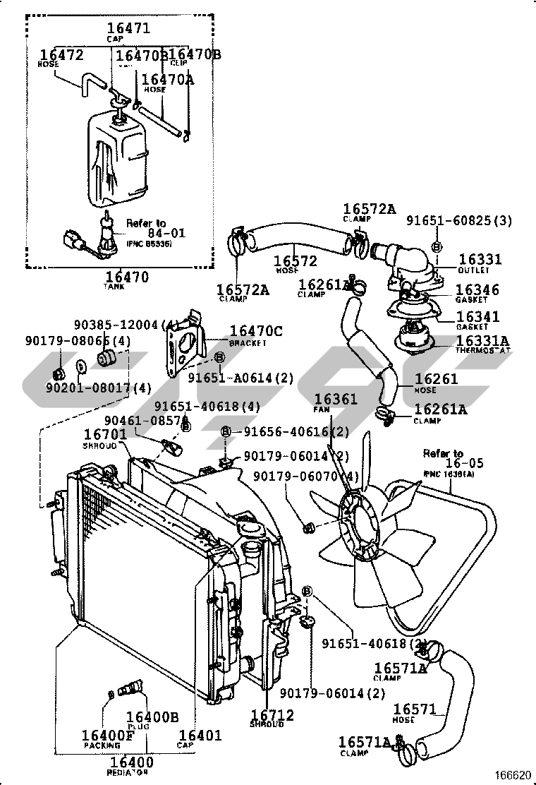
1603: RADIATOR
مشاهده جزئیات
1605: V-BELT
مشاهده جزئیات
1701: MANIFOLD
مشاهده جزئیات
1702: EXHAUST
مشاهده جزئیات
1702: 9212
مشاهده جزئیات
1703: 8709
مشاهده جزئیات
1708: 8709
مشاهده جزئیات
1709: 8709
مشاهده جزئیات
1901: 8709
مشاهده جزئیات
1902: DISTRIBUTOR
مشاهده جزئیات
1903: 8709
مشاهده جزئیات
1904: 8709
مشاهده جزئیات
2211: 8709
مشاهده جزئیات
2501: 8709
اصلی
دستهبندی
سبد خرید
مطالب
پروفایل